| État de disponibilité: | |
|---|---|
| Quantité: | |
Actionneur électrique série QT
Actionneur électrique quart de tour à engrenage à vis sans fin antidéflagrant QT
Paramètre technique et tableau
Modèle | Couple de sortie maximum | Fonctionnement à 90° temps60/50Hz | Taille d'alésage maximale | Moteur de classe F | Noté courant (A)60/50HZ | Rotation du volant | Poids | |||
Monophasé | Trois phases | |||||||||
Nouveau-Mexique | S | mm | W | 10V | 220V | 380V | 440V | N | Kg | |
QT-010 | 100 | 18/22 | 20 | 20 | 1,10/0,95 | 0,55/0,54 | 0,3/0,3 | N / A | 10 | 7.5 |
QT-020 | 200 | 21/25 | 22 | 40 | 1,67/1,67 | 0,89/0,85 | 0,31/0,31 | 0,30/0,31 | 11 | 17.3 |
QT-030 | 300 | 26/31 | 35 | 60 | 1,85/1,86 | 0,92/0,92 | 0,35/0,35 | 0,34/0,34 | 13.5 | 22 |
QT-050 | 500 | 26/31 | 35 | 90 | 3,60/3,62 | 1,55/1,58 | 0,59/0,59 | 0,58/0,58 | 13.5 | 23 |
QT-080 | 800 | 31/37 | 45 | 120 | 4.10/4.10 | 2.15/2.20 | 0,85/0,85 | 0,79/0,79 | 16.5 | 29 |
QT-100 | 1000 | 31/37 | 45 | 180 | 4.20/4.10 | 2h35/2h30 | 0,87/0,87 | 0,81/0,81 | 16.5 | 29 |
QT-160 | 1600 | 93/112 | 60 | 180 | 4.10/4.10 | 2.15/2.20 | 0,85/0,85 | 0,79/0,79 | 49.5 | 75 |
QT-200 | 2000 | 93/112 | 65 | 180 | 4.10/4.10 | 2.15/2.20 | 0,85/0,85 | 0,79/0,79 | 49.5 | 75 |
Spécification standard
Coquille | Niveau d'étanchéité IP67, NEMA4 et 6 | |
Puissance du moteur | Standard : 220 VCA monophaséEn option : 110 VCA Monophasé, 380/440 V CA Triphasé, 50/60 Hz, ± 10 % 24 V CC/110 V CC/220 V CC | |
Moteur | Moteur asynchrone à cage d'écureuil | |
Fin de course | SPDT,250VAC10AOuvert/fermé,chacun1SPDT,250VAC10A | |
Fin de course auxiliaire | SPDT, 250VAC10AOuvert/fermé, chacun 1SPDT, 250VAC10A | |
Commutateur de couple | SPDT, 250VAC10AOuvert/fermé, chaque 1 SPDT, 250VAC10A | QT-005/008-010Sauf QT-005/008-010 |
Accident vasculaire cérébral | 90°±10° | 0°~27°0°~27° En option |
Protection contre le décrochage/température de fonctionnement | Protection intérieure contre la surchauffe, ouvert 115 ℃ ± 5 ℃/fermé 97 ℃ ± 5 ℃ | |
Indicateur | Indicateur de position continu | |
Fonctionnement manuel | Mécanisme de débrayage, coopère avec le volant | |
Dispositif autobloquant | Assurer un autoverrouillage par vis sans fin et engrenage à vis sans fin | |
Limite mécanique | 2 pièces de boulon réglable externe | |
Appareil de chauffage | 7-10 W (110/220 VCA) | |
Entrée de conduit | 2 (pièces) PE3/4' | |
Température ambiante | -20 ℃ ~ + 70 ℃ | |
Lubrification | Graisse à base d'aluminium (type EP) | |
Matériel | Acier, alliage d'aluminium, bronze d'aluminium, polycarbonate | |
Humidité ambiante | Sans condensationMax 90% RH90% RH | |
Performances anti-vibrations | XYZ10g,0,2 ~ 34 Hz,30 minutes | |
Revêtement externe | Poudre sèche, polyester époxy, forte anticorrosion fonction | |
Fonctionnalité
Actionneur électrique rotatif à 90 degrés, Compact, léger, industriel, Anti-vibration/étanche, couple élevé, pour vannes à bille
1. Conception exquise, excellentes performances, poids léger et couple de sortie important.
2. L'intérieur et l'extérieur de la fermeture sont traités par de l'oxygène dur, tandis que la pulvérisation de résine époxy + poudre est adoptée pour le traitement externe, qui possède de bonnes performances antiseptiques.
3. Le niveau de protection du produit est supérieur à IP67.
4. La dimension de connexion de l'extrémité de sortie est conforme à la norme nationale ISO5211.
5. Le manchon de l'arbre de connexion peut être remplacé et facilement traité et installé.
6. Structure à double roue à vis sans fin, dotée d'une fonction autobloquante et d'une limite mécanique externe réglable.
7. Le mode de fonctionnement motorisé/manuel peut être facilement modifié via la tige manuelle, puis réinitialisé automatiquement au contrôle électronique après la mise sous tension.
8. Commutateur de couple intégré et protection contre les surcharges sur l'actionneur électrique.De plus, il intègre un protecteur thermique pour effectuer une double protection sur les machines électriques.Indiquez la position de la vanne en continu par une grande fenêtre pour une meilleure visualisation.
9. L'unité de contrôle à dossiers multiples fournit les meilleures performances selon les exigences des utilisateurs.Une unité de contrôle intelligente peut être sélectionnée.
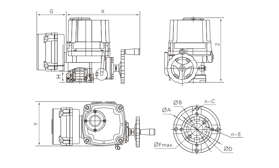
Dessin
Modèle | X | Y | Z | A | B | NC | D | NE | F | G | H |
QT-010 | 270 | 161 | 234 | θ90 | θ70 | 4-M8 | θ50 | 4-M6 | θ20 | 137 | 35 |
QT-020 | 346 | 240 | 270 | θ120 | θ102 | 4-M10 | θ70 | 4-M8 | θ22 | 137 | 40 |
QT-030 | 358 | 240 | 290 | θ150 | θ125 | 4-M12 | θ102 | 4-M10 | θ35 | 137 | 45 |
QT-050 | 358 | 240 | 290 | θ150 | θ125 | 4-M12 | θ102 | 4-M10 | θ35 | 137 | 45 |
QT-080 | 390 | 260 | 322 | θ180 | θ140 | 4-M14 | θ125 | 4-M12 | θ45 | 137 | 55 |
QT-100 | 390 | 260 | 322 | θ180 | θ140 | 4-M14 | θ125 | 4-M12 | θ45 | 137 | 55 |
QT-160 | 390 | 260 | 491 | θ210 | θ165 | 4-M16 | θ140 | 4-M14 | θ55 | 137 | 65 |
QT-200 | 390 | 260 | 491 | θ210 | θ165 | 4-M16 | θ140 | 4-M14 | θ55 | 137 | 65 |
Actionneur électrique série QT
Actionneur électrique quart de tour à engrenage à vis sans fin antidéflagrant QT
Paramètre technique et tableau
Modèle | Couple de sortie maximum | Fonctionnement à 90° temps60/50Hz | Taille d'alésage maximale | Moteur de classe F | Noté courant (A)60/50HZ | Rotation du volant | Poids | |||
Monophasé | Trois phases | |||||||||
Nouveau-Mexique | S | mm | W | 10V | 220V | 380V | 440V | N | Kg | |
QT-010 | 100 | 18/22 | 20 | 20 | 1,10/0,95 | 0,55/0,54 | 0,3/0,3 | N / A | 10 | 7.5 |
QT-020 | 200 | 21/25 | 22 | 40 | 1,67/1,67 | 0,89/0,85 | 0,31/0,31 | 0,30/0,31 | 11 | 17.3 |
QT-030 | 300 | 26/31 | 35 | 60 | 1,85/1,86 | 0,92/0,92 | 0,35/0,35 | 0,34/0,34 | 13.5 | 22 |
QT-050 | 500 | 26/31 | 35 | 90 | 3,60/3,62 | 1,55/1,58 | 0,59/0,59 | 0,58/0,58 | 13.5 | 23 |
QT-080 | 800 | 31/37 | 45 | 120 | 4.10/4.10 | 2.15/2.20 | 0,85/0,85 | 0,79/0,79 | 16.5 | 29 |
QT-100 | 1000 | 31/37 | 45 | 180 | 4.20/4.10 | 2h35/2h30 | 0,87/0,87 | 0,81/0,81 | 16.5 | 29 |
QT-160 | 1600 | 93/112 | 60 | 180 | 4.10/4.10 | 2.15/2.20 | 0,85/0,85 | 0,79/0,79 | 49.5 | 75 |
QT-200 | 2000 | 93/112 | 65 | 180 | 4.10/4.10 | 2.15/2.20 | 0,85/0,85 | 0,79/0,79 | 49.5 | 75 |
Spécification standard
Coquille | Niveau d'étanchéité IP67, NEMA4 et 6 | |
Puissance du moteur | Standard : 220 VCA monophaséEn option : 110 VCA Monophasé, 380/440 V CA Triphasé, 50/60 Hz, ± 10 % 24 V CC/110 V CC/220 V CC | |
Moteur | Moteur asynchrone à cage d'écureuil | |
Fin de course | SPDT,250VAC10AOuvert/fermé,chacun1SPDT,250VAC10A | |
Fin de course auxiliaire | SPDT, 250VAC10AOuvert/fermé, chacun 1SPDT, 250VAC10A | |
Commutateur de couple | SPDT, 250VAC10AOuvert/fermé, chaque 1 SPDT, 250VAC10A | QT-005/008-010Sauf QT-005/008-010 |
Accident vasculaire cérébral | 90°±10° | 0°~27°0°~27° En option |
Protection contre le décrochage/température de fonctionnement | Protection intérieure contre la surchauffe, ouvert 115 ℃ ± 5 ℃/fermé 97 ℃ ± 5 ℃ | |
Indicateur | Indicateur de position continu | |
Fonctionnement manuel | Mécanisme de débrayage, coopère avec le volant | |
Dispositif autobloquant | Assurer un autoverrouillage par vis sans fin et engrenage à vis sans fin | |
Limite mécanique | 2 pièces de boulon réglable externe | |
Appareil de chauffage | 7-10 W (110/220 VCA) | |
Entrée de conduit | 2 (pièces) PE3/4' | |
Température ambiante | -20 ℃ ~ + 70 ℃ | |
Lubrification | Graisse à base d'aluminium (type EP) | |
Matériel | Acier, alliage d'aluminium, bronze d'aluminium, polycarbonate | |
Humidité ambiante | Sans condensationMax 90% RH90% RH | |
Performances anti-vibrations | XYZ10g,0,2 ~ 34 Hz,30 minutes | |
Revêtement externe | Poudre sèche, polyester époxy, forte anticorrosion fonction | |
Fonctionnalité
Actionneur électrique rotatif à 90 degrés, Compact, léger, industriel, Anti-vibration/étanche, couple élevé, pour vannes à bille
1. Conception exquise, excellentes performances, poids léger et couple de sortie important.
2. L'intérieur et l'extérieur de la fermeture sont traités par de l'oxygène dur, tandis que la pulvérisation de résine époxy + poudre est adoptée pour le traitement externe, qui possède de bonnes performances antiseptiques.
3. Le niveau de protection du produit est supérieur à IP67.
4. La dimension de connexion de l'extrémité de sortie est conforme à la norme nationale ISO5211.
5. Le manchon de l'arbre de connexion peut être remplacé et facilement traité et installé.
6. Structure à double roue à vis sans fin, dotée d'une fonction autobloquante et d'une limite mécanique externe réglable.
7. Le mode de fonctionnement motorisé/manuel peut être facilement modifié via la tige manuelle, puis réinitialisé automatiquement au contrôle électronique après la mise sous tension.
8. Commutateur de couple intégré et protection contre les surcharges sur l'actionneur électrique.De plus, il intègre un protecteur thermique pour effectuer une double protection sur les machines électriques.Indiquez la position de la vanne en continu par une grande fenêtre pour une meilleure visualisation.
9. L'unité de contrôle à dossiers multiples fournit les meilleures performances selon les exigences des utilisateurs.Une unité de contrôle intelligente peut être sélectionnée.
Dessin
Modèle | X | Y | Z | A | B | NC | D | NE | F | G | H |
QT-010 | 270 | 161 | 234 | θ90 | θ70 | 4-M8 | θ50 | 4-M6 | θ20 | 137 | 35 |
QT-020 | 346 | 240 | 270 | θ120 | θ102 | 4-M10 | θ70 | 4-M8 | θ22 | 137 | 40 |
QT-030 | 358 | 240 | 290 | θ150 | θ125 | 4-M12 | θ102 | 4-M10 | θ35 | 137 | 45 |
QT-050 | 358 | 240 | 290 | θ150 | θ125 | 4-M12 | θ102 | 4-M10 | θ35 | 137 | 45 |
QT-080 | 390 | 260 | 322 | θ180 | θ140 | 4-M14 | θ125 | 4-M12 | θ45 | 137 | 55 |
QT-100 | 390 | 260 | 322 | θ180 | θ140 | 4-M14 | θ125 | 4-M12 | θ45 | 137 | 55 |
QT-160 | 390 | 260 | 491 | θ210 | θ165 | 4-M16 | θ140 | 4-M14 | θ55 | 137 | 65 |
QT-200 | 390 | 260 | 491 | θ210 | θ165 | 4-M16 | θ140 | 4-M14 | θ55 | 137 | 65 |