| Position: | |
|---|---|
| Matériel: | |
| Classe de protection: | |
| plages de taille de port: | |
| État de disponibilité: | |
| Quantité: | |
Application:
Électrovanne pneumatique à 3 voies antidéflagrante industrielle/agricole/construction/automobile 24 V
Caractéristiques principales:
1. Antidéflagrant Namour Solénoïde Valve
2. Tous les ports d'échappement de ce distributeur à tiroir sont connectables, ce qui offre une excellente
protection de l'environnement contre la pénétration de liquides, de poussières ou d'autres corps étrangers.3. Le distributeur à tiroir peut être équipé d'une bobine de boîtier en aluminium ou en acier inoxydable 316 certifiée pour une utilisation dans les zones corrosives et dans les zones dangereuses (Classe I, Div.1 Groupe A, B, C, D, Ex d II C T6).
4. Le produit a passé les certifications ATEX DNV et ExdllCT6.
e!
Caractéristiques:
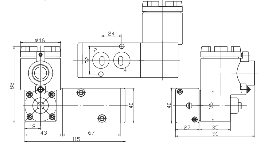
spécification | |
Matériau du corps | Aluminium extrudé |
Finition | Anodisé |
Joint | NBR |
Matériau en contact avec le fluide |
|
Valeur CV | CV = 1,4 (25 mm) |
Taille du port | G1/4'BSPP ou NPT1/4 |
Norme de montage | 24*32NAMUR |
Fixer les vis | M5*27 Acier inoxydable |
classe de protection | IP67/NEMA4,4X |
Classe antidéflagrante | NON |
Température de fonctionnement | -10°C~80°C (changer la graisse et les joints peut |
Pression de travail | 1~8 barres |
Fonctionnement moyen | (<=40um)air sec et lubrifié |
Des cycles de vie | 10 millions |



Application:
Électrovanne pneumatique à 3 voies antidéflagrante industrielle/agricole/construction/automobile 24 V
Caractéristiques principales:
1. Antidéflagrant Namour Solénoïde Valve
2. Tous les ports d'échappement de ce distributeur à tiroir sont connectables, ce qui offre une excellente
protection de l'environnement contre la pénétration de liquides, de poussières ou d'autres corps étrangers.3. Le distributeur à tiroir peut être équipé d'une bobine de boîtier en aluminium ou en acier inoxydable 316 certifiée pour une utilisation dans les zones corrosives et dans les zones dangereuses (Classe I, Div.1 Groupe A, B, C, D, Ex d II C T6).
4. Le produit a passé les certifications ATEX DNV et ExdllCT6.
e!
Caractéristiques:
spécification | |
Matériau du corps | Aluminium extrudé |
Finition | Anodisé |
Joint | NBR |
Matériau en contact avec le fluide |
|
Valeur CV | CV = 1,4 (25 mm) |
Taille du port | G1/4'BSPP ou NPT1/4 |
Norme de montage | 24*32NAMUR |
Fixer les vis | M5*27 Acier inoxydable |
classe de protection | IP67/NEMA4,4X |
Classe antidéflagrante | NON |
Température de fonctionnement | -10°C~80°C (changer la graisse et les joints peut |
Pression de travail | 1~8 barres |
Fonctionnement moyen | (<=40um)air sec et lubrifié |
Des cycles de vie | 10 millions |


